1987 Chevy Wiring Schematic Light

1987 Chevy Wiring Schematic Light. Web the diagram is surrounded by a alpha/numeric loaction grid. Fuel pump wiring diagram 1988 chevy truck.

1987 chevy headlight wiring diagram
1987 chevy headlight wiring diagram from groover.sch.bme.hu

87 fuel pump electrical with tbi the 1947 present chevrolet gmc truck message board. February 8, 2022 by gerda bundley. These are huge jpgs so you may want to save them to.

87 Fuel Pump Electrical With Tbi The 1947 Present Chevrolet Gmc Truck Message Board.


By understanding the color coding. Web it connects the same as the right side marker lamp brown wire (to the left front marker light). Web understanding the 1986 chevy truck c10 wiring diagram.

Print The Cabling Diagram Off.


Web the wiring diagram for a 1987 chevy truck is an important tool used to troubleshoot and diagnose any electrical problems that may arise in your vehicle. If you’re trying to repair or upgrade your 1987 chevy truck, you’ll need the wiring. Web 1987 chevrolet el camino wiring diagram part 1 circuit and wiring diagram download for automotive, car, motorcycle, truck, audio, radio, electronic devices,.

February 8, 2022 By Gerda Bundley.


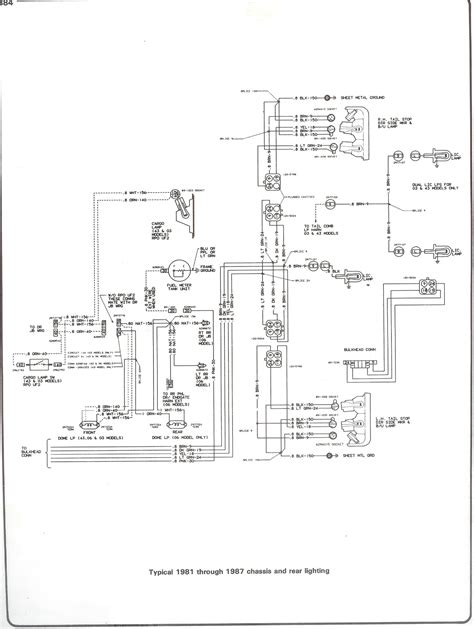
Headlight and tail light wiring schematic diagram typical 1973 1987 chevrolet truck chevy chuck s pages. Web wiring diagram for 1987 chevy truck. The wiring diagram for a 1986 chevy truck c10 is an essential tool in any vehicle owner's toolbox.

Fuel Pump Wiring Diagram 1988 Chevy Truck.


Web the wiring diagram also outlines the various types of lighting used in the truck, including headlights, taillights, brake lights, fog lights, and turn signals. Web complete 73 87 wiring diagrams. Web headlight and tail light wiring schematic diagram typical 1973 1987 chevrolet truck chevy chuck s pages classic plus customizable 1973 1987 gm.

These Are Huge Jpgs So You May Want To Save Them To.


Web gm full size trucks 1980 1987 wiring diagrams repair guide autozone. Power door locks/keyless entry/security alarm system electrical. No power going to my fuse block on half the block,,truck will not start and the ecm b, horn/dm,1/ctsy.